ELECTRICAL TROUBLESHOOTING MANUAL
  Applies to: Hyundai Coupe/Tiburon 1999
GROUP
Fuel System MFI Control System
Return to Main Menu(s):      Mechanical Manual      Electrical Manual


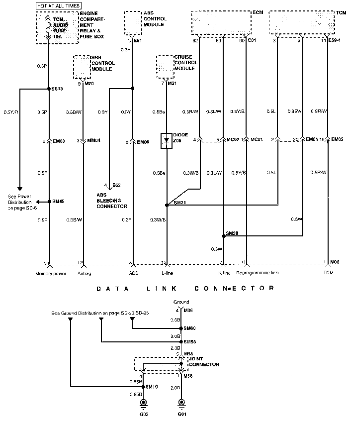
DATA LINK DETAILS SCHEMATICS
DATA LINK DETAILS (1)
DATA LINK DETAILS (2)